高压瓷片电容 - 电容器系列 - 上海公海555000电子科技有限公司-----新能源电容 电子元器件

首页 > 产品展示 > 电容器系列 > 正文

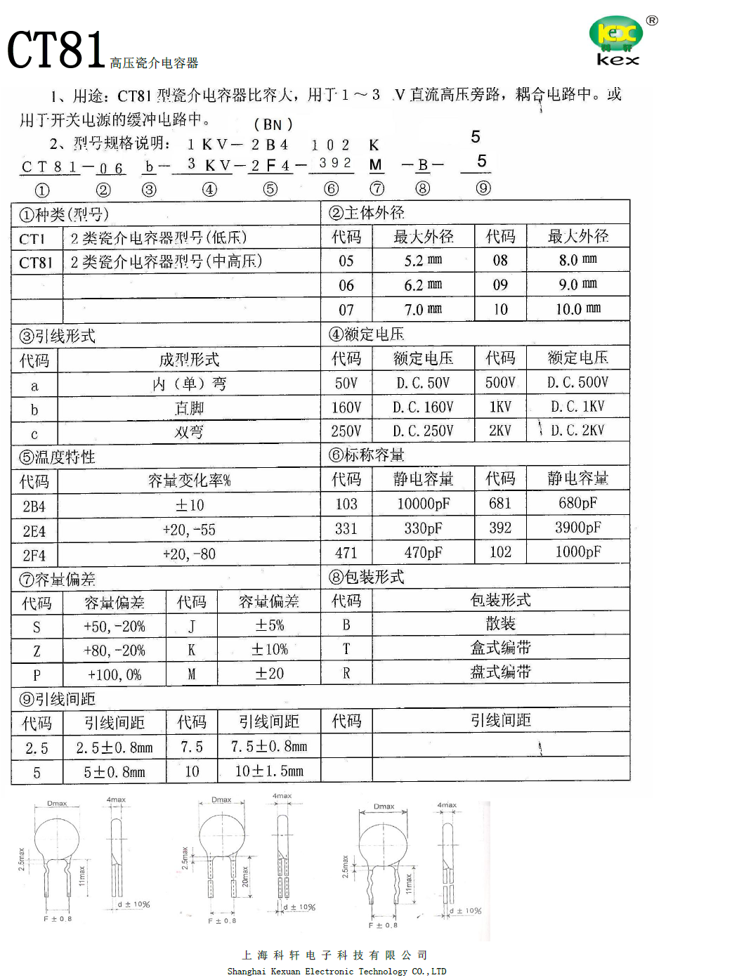
高压瓷片电容




下一个:金属膜CBB21
公海555000




网站地图